新闻详情
用友BIP助力江铃集团数智化发展
来源: | 作者:九源软件 | 发布时间: 2022-08-31 | 310 次浏览 | 分享到:

产业链模式下的集团化整车企业数字化建设


江铃汽车集团有限公司(以下简称:江铃集团)创立于1947年,是我国汽车整车出口基地和轻型柴油商用车最大的出口商之一。列2021中国500强第230位,中国制造业500强第102位,中国战略性新兴产业领军企业第62位。

江铃集团拥有38家一级子公司,业务涵盖整车和零部件的设计和制造,同时涉足汽车进出口、汽车金融、汽车回收拆解、汽车发动机再制造、物流、房地产等领域。整车产品涵盖商用车、乘用车、专用车及新能源汽车,拥有JMC系列、驭胜系列、福特系列、陆风系列、易至系列、五十铃系列、晶马系列等品牌产品,同时具备新能源汽车三电系统、汽车发动机、变速箱、车身、车架、前桥、后桥等关键零部件自主研发制造能力,形成了融数字化平台、发动机设计、整车设计、造型设计、试验开发五位一体的核心能力。

管理特点

  • 销售与生产分离(大部分整车厂分为销售公司和制造公司)

  • 生产计划集中管理

  • 多系统集成管理(一般都PLM、DMS、ERP、MES、SRM系统集成)

  • 仓库采用二次仓库的管理模式,便于物料的配送及管理

  • 采用批次核算成本或者单车核算成本(仅限于材料成本)


管理难点

  • 由市场主导生产,一般为按单生产或者销售预测生产

  • 时效要求较高的物流配送

  • 多车间内部协同生产

  • 多种形式BOM管理(包括PBOM、EBOM、MBOM)

  • 整车单件管理(VIN管理)

  • 生产过程全程跟踪

  • 缺件查询,实时监控库存状况

  • 颜色件、设变件、配套件的管理控制

  • 售后服务单独管理


01

建设目标和建设内容


用友BIP基于端到端的价值链,为江铃集团各业务领域和版块提供数智化解决方案,助力江铃集团实现一个平台,一个数智化管理目标,支撑江铃集团全产业链七大整车厂40多家配套分子公司的数智化应用。


基于用友BIP混合部署的模式,江铃集团既实现了整体考虑一盘棋的数智化整体规划,又满足了分散部署的个性化应用需求,通过一个平台的应用集成,实现了一个江铃的整体信息化管理目标。




02

应用成效


以统一平台为基础,基于九大高价值应用场景,助力江铃集团走过了高速发展的十年,也为江铃集团下一个腾飞十年奠定坚实的基础。



01

集团管控一体化

构建集团统一的会计核算平台,实现了六大主机业务板块统一的核算政策、统一的管理规划、统一的内容制度,实现了各版块与下属分子公司的业财一体化应用。

02

整车个性化定制

通过设计制造一体化打通BOM数据和生产端营销端的通路,以PLM进行可配置BOM搭建,ERP进行可配置关系定义,由DMS系统为用户提供可选配置实现营销、研发、制造的高效协同。

03

产销协同一体化

通过ERP和DMS的无缝融合实现了营销服务与研发制造的实时化协同,提升江铃集团应对市场变化的响应速度,提升生产效率和客户满意度,为江铃集团快速发展加速加力。

04

产供协同一体化

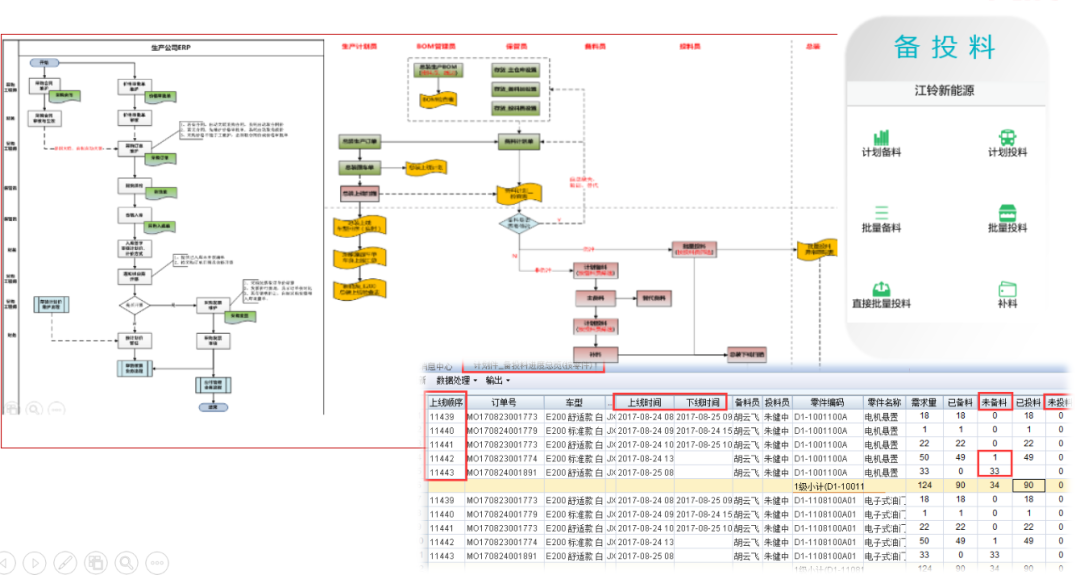
通过用友BIP构建了从整车配送物料计划的自动生成、物料配送到厂的数字化管理,从整车精益生产拉动备料、实时化生产拉动配送上线的智能化管理,通过产供协同一体化,不仅解决了市场个性化需求和产线批量化生产的冲突,同时通过齐套性分析和分层的设计变更解决方案,为个性化定制和柔性化生产奠定了高效、稳定运行扫除一切障碍。

05

计划作业一体化

通过BIP的ERP+MES实现了销售运营计划、产品排程计划和车辆生产顺序计划等三层计划,有效缓冲客户需求变化,确保供应和生产的稳定性。

06

单车质量追溯

BIP-MES对整车装配所需的所有零部件进行从采购入库、库存拣理货、配送上线、车间生产装配等环节的数据(批次、供应商等)进行实时扫码采集,建立追溯关系,实现正向从一辆整车可以追溯车辆构成零部件的生产批次和生产供应商,反向可通过单个零部件/零部件批次追溯到装配车辆本身,为整车客户提供可靠的质量保障,同时满足整车快速高效的召回要求。

07

整车身份认证

针对每一辆整车在用友BIP平台根据VIN生成规则自动生成底盘号(VIN号),作为整车唯一身份识别码。所有国家强制要求的安全保障件和国家监管的整车重要参数信息,在整车装配过程中关联整车身份证,形成整车身份档案,也是整车合格证信息获取的数据来源,在BIP系统进行合格证的模板定义和打印。

08

作业过程可视化

通过用友BIP平台实现PC端和移动端的同时实时化监控整车生产的全过程,包括焊接、涂装、总装等关键工艺的生产加工状态,无论是用户端还是江铃运营管理端均可根据车辆VIN码实时化查看每一辆车的生产进度和状态。

09

整车发运智能化

生产下线的每一辆整车都在江铃整车发运管理模块中通过移动端和平板进行车辆的入库确认、客户/经销商发车申请,安排备车,验车、发车等动作。


03

应用价值


系统的不断更新迭代,助力江铃集团实现业绩高增长和高质量发展,使江铃集团在C2M商业模式大背景下实现更加柔性化、透明化生产和高效交付:


生产节拍提升40%,计划执行度提升30%,总体运营成本降低30%以上,存货周转率提升20%以上,客户订单准交率提升15%。


江铃集团作为中国战略性新兴产业领军企业和中国高端制造业领军企业,和用友一样对于中国高端制造和中国制造高质量发展有着共同的使命和社会责任感。用友作为全球领先的企业云服务与软件提供商,将持续发挥自身优势,助力江铃集团数智化发展。